Providing Energy Dissipation Device for Protection of Engineering Structures and launching it in the Canadian construction industry market.
Building relationships with infrastructure developers, construction industry leaders, general contractors, and other role players in related markets.
Advertising Rad Inc. highly efficient and economic services among construction industry market mostly structure designers and engineering consult.
Improving the quality and efficiency of engineering structures provided to the construction industry based on seismic protection by installing our energy dissipation device.
Radco Mission
Rad Inc. provides Energy Dissipation Device for Seismic Protection of Engineering Structures to reduce the cost of structures for any applications at any dimension from small to very large to mega structures.
Additional application of our EDD sensory system is preventive maintenance against soil settlement. Soil settlement may cause to changes in the geometry of the building structure. These changes at the very preliminary stage could be diagnosed and monitored by our sensory system. When EDD alarms the corrective action to prevent foundation movement and soil settlement must be taken.
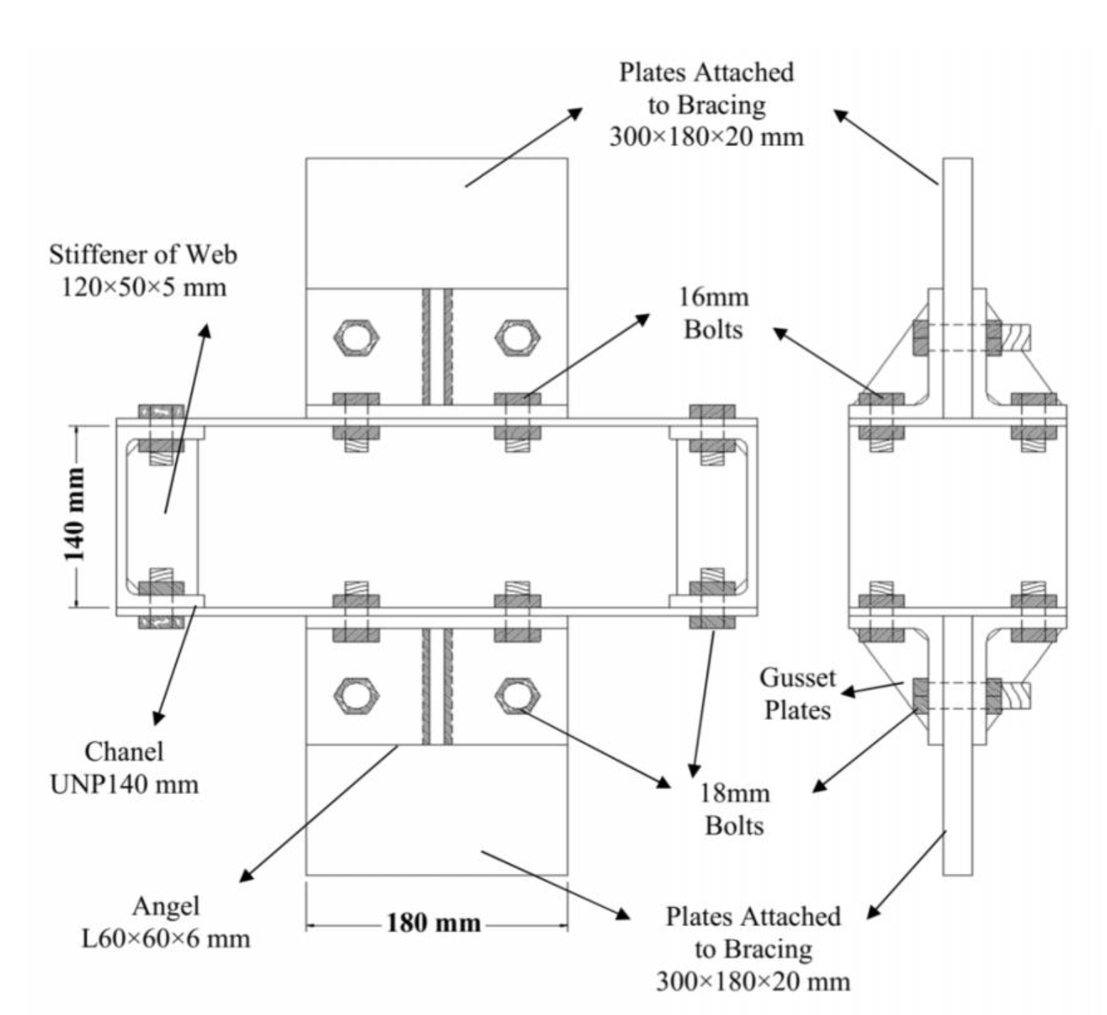
Our Product
This device is constructed by utilizing standard stainless-steel plates and bolts without any welded joints which provides a device with lower constructional complexity. The performance of this new device is evaluated through the numerical and experimental investigations in which the optimal geometric configuration of the energy dissipation device is achieved by conducting multiple numerical analyses.
Rad Inc has introduced a novel energy dissipation device that has a lower constructional cost compared to previously developed devices and prepares acceptable levels of stiffness, damping, and ductility.
The overall performance of the device in the experimental and numerical testing processes proved that the proposed device is capable of increasing the energy dissipation levels of structural systems.
Our Team
info@rad-co.ca
15 Wellesley St W Unit 201,
Toronto, ON M4Y 1E8
Abdolrasoul Chahkoutahi has a Bachelor degree in Civil Engineering and a Masters in Environmental Engineering. He has over 20 years of experience in supervising and overseeing the direction of projects in the site and project management field.
Farzad Fallahi is currently pursuing a Bachelor degree in teaching english as well he has a Certificate in Foundation in Management. He has over 7 years of work experience in commercial management and 4 years of work experience as a Managing Director.